1-800-513-3163 Sales@LM76.com

 

Home     About LM76        PDF Application Documents      Contact Information 



NP Pillow Blocks with Linear Ball Bearings with Oil Hole and ETX Scraper Seals

 

ETX Scraper seals contain the following components:
1. Electroless Nickel Plated Aluminum Retainer with V Groove OD
2. FDA Compliant, Self-Lubricating Scraper Seal
3. The Scraper Seal Cartridge is retained into the Pillow Block Housing with Stainless Set Screws

 

We recommend our 440C Case Hardened Stainless Shafting or our 440C Shafting with a FDA Marvalloy Coating. Marvalloy rasies shaft hardness from 58RC -to 72 Rc. It extremely corrosion resistant.
http://fdalinearbearings.com/Precision%20Linear%20Shafting.html

 


LM76 has pioneered the use of low frction linear ball bearings in FDA and Caustic Washdown applications. LM76's proprietary ETX Scraper Seals operate with an interference-fit on the shaft, keeping debris and caustics from ball circuits. ETX Seals protect FDA lubricant from being washed-out during high pressure washing. For more information call LM76 engineering @ 1-800-513-3163 or email: mquinn@LM76.com


 

To Download Step Files Right Click and Choose Save Link As...Firefox or Google Chrome Download Link

 

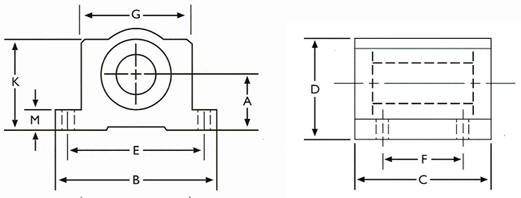
Part Number Shaft Dia. Class L A+/
.003
B C D E
+/-
.010
F
+/-
.010
G Bolt Hole K L
Min
M
Min
Dynamic Load Capacity
lbs.
STEP
FILE
LPB8-SSU8-CR-NS-2ETX-NP 1/2" .687 2 1-11/16 1-1/4 1.688 1.000 1-3/8 #6-5/32 1-1/8 5/16 1/4 265 STEP
LPB10-SSU10-CR-NS-2ETX-NP 5/8" .875 2-1/2 1-15/16 1-5/8 2.125 1.125 1-3/4 #8-3/16 1-7/16 3/8 9/32 620 STEP
LPB12-SSU12-CR-NS-2ETX-NP 3/4" .937 2-3/4 2-1/16 1-3/4 2.375 1.250 1-7/8 #8-3/16 1-9/16 7/16 5/16 1130 STEP
LPB16-SSU16-CR-NS-2ETX-NP 1" 1.187 3-1/4 2-3/16 2-3/16 2.875 1.750 2-3/8 #10-7/32 2 9/16 3/8 1900 STEP
LPB20-SSU20-CR-NS-2ETX-NP 1.250" 1.500 4.00 3-5/8 2-13/16 3.500 2.000 3 #10-7/32 2-1/2 5/8 7/16 2350 STEP
LPB24-SSU24-CR-NS-2ETX-NP 1.5" 1.750 4-3/4 4 3-1/4 4.125 2.500 3-1/2 1/4-9/32 2-7/8 3/4 1/2 3880 STEP
LPB-32-S32-CR-NS-2ETX-NP 2" 2.125 6 5 4-1/16 5.250 3.250 4-1/2 3/8-13/32 3-5/8 1 5/8 3000 STEP